Skip to main content
- GRETA Douai
View All
Search
Shelves
Books
Log in
Info
Content
Books
02. Stage AESC du 7/04...
3. Journée type du TSM...
3.3 Repérage des suppo...
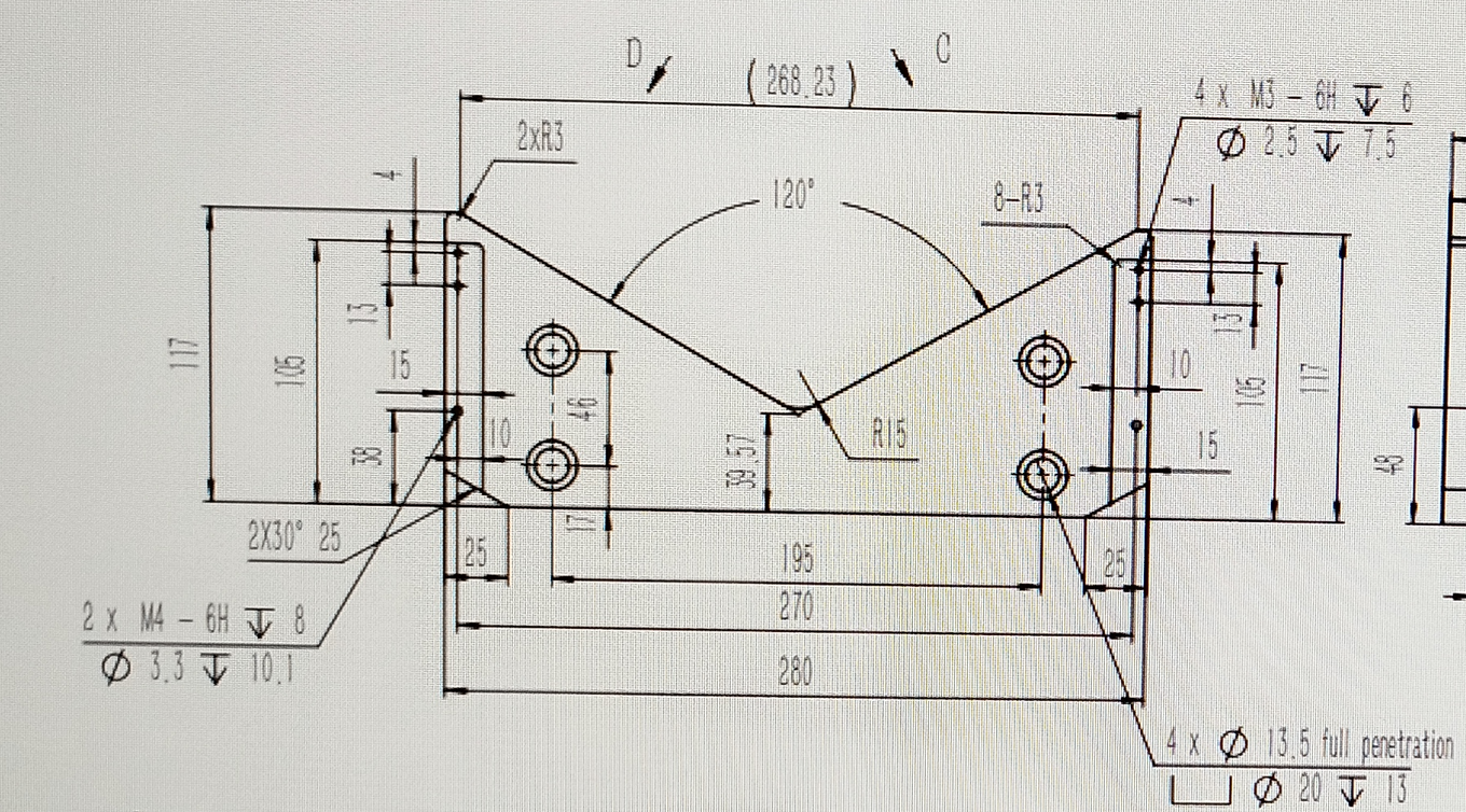
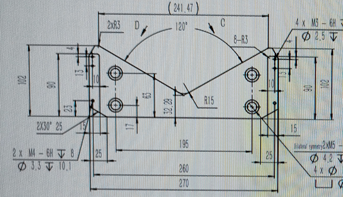
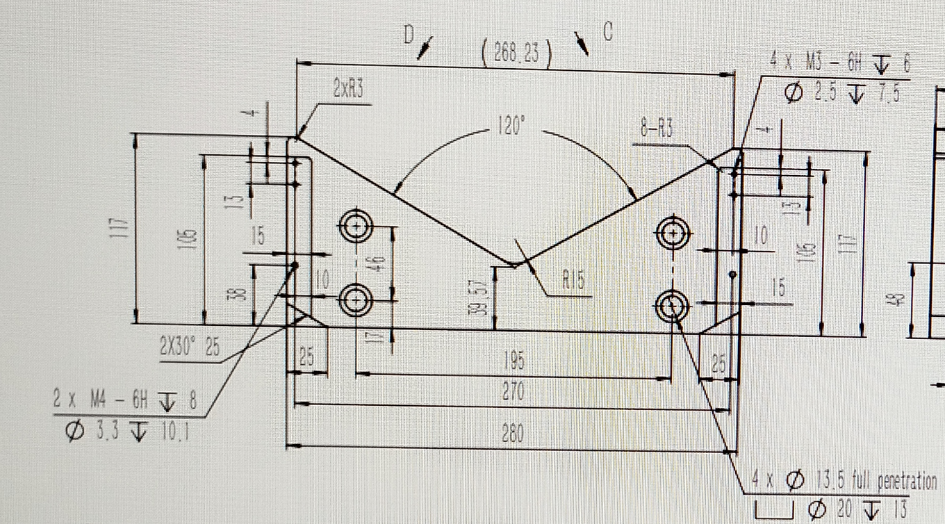
3.3 Repérage des supports de bobine Les V-Blocks
Support Bobine Noir référence V10 :
Support Bobine Blanc référence V30 :
Enter section select mode
Previous
3.2 Relever des valeurs des salles Anode et ...
Next
3.4 Standard Opération Procédure (SOP)
0 Comment Threads
0 Archived
No comments to display
No comments to display
Back to top
No comments to display
No comments to display