Skip to main content
- GRETA Douai
View All
Search
Shelves
Books
Log in
Info
Content
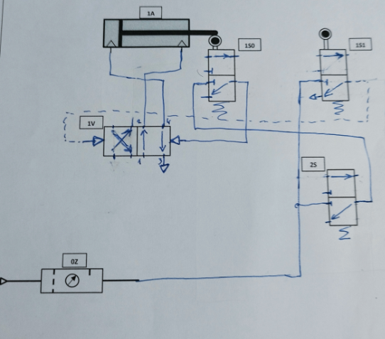
01. Les Distributeurs ...
03. Les Distributeurs ...
Page Revisions
Revision #356 Changes
03. Les Distributeurs Pneumatiques (Exercices)
Back to top